
农用喷灌设备
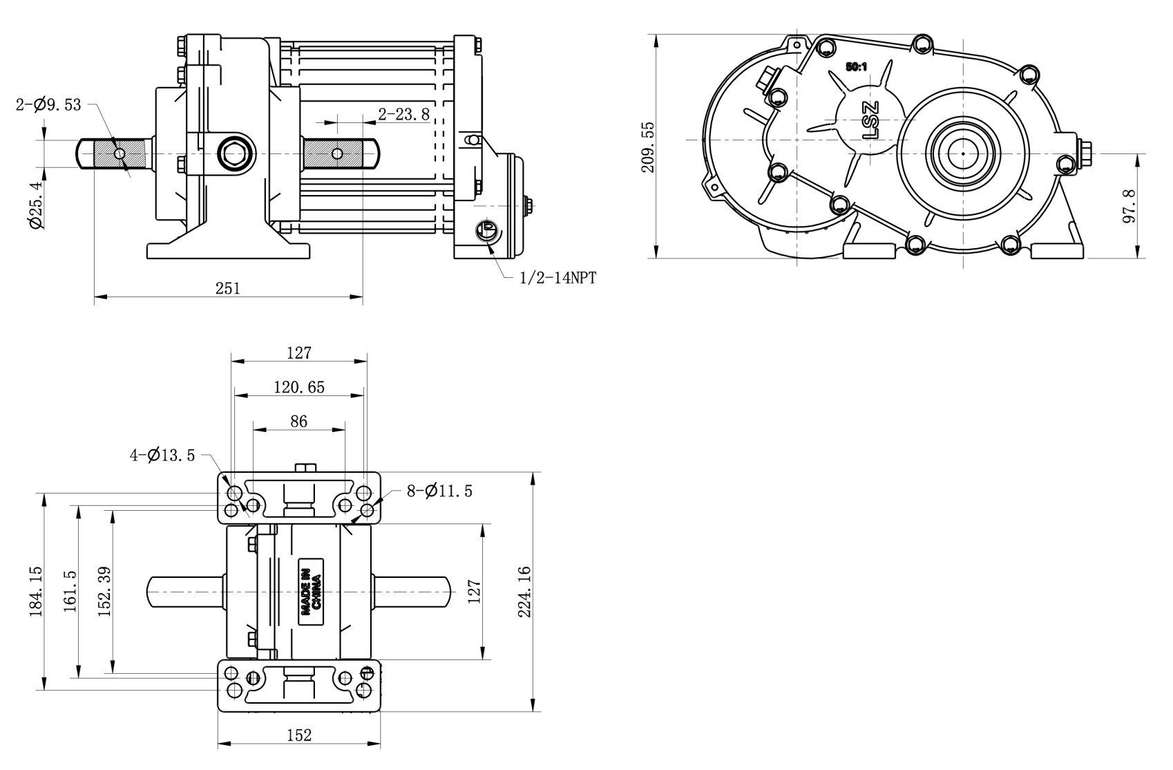
中央驱动减速电机 LF02系列
LF02系列三相异步热保护电机,继承当今国际高效电机设计和制造的先进理念,结合本公司长期以来研制电机的技术和经验,采用可靠的新技术、新材料、新工艺而开发的全新升级产品,以其卓越性能、高效节能、持久耐用而闻名。
1.95%高效斜齿轮减速;
2.提供三种三相电机选项,包括CSA、CE、CCC认证的电机;
3.精密压铸铝制外壳,设有注油、排油和油位塞,便于维护;
4.铝制翅片定子,散热性能卓越;
5.内部通风接线盒可保护电机引线连接免受湿气影响;
| 产品型号 | LF025075G34 | LF024075G43 | LF02501534 | LF02401543 | LF02301557 | LF02251568D | LF02201586D | LF025015G34 | LF024015G43 | LF023015G57 | LF022515G68D | LF022015G86D | LF02501568 | LF02401586 | LF025015G68 | LF024015G86 |
| 产品名称 | 中央驱动减速电机 | |||||||||||||||
| 额定功率(HP) | 0.75/0.6 | 0.75/0.6 | 1.5/1.2 | 1.5/1.2 | 1.5/1.2 | 1.5/1.2 | 1.5/1.2 | 1.5/1.2 | 1.5/1.2 | 1.5/1.2 | 1.5/1.2 | 1.5/1.2 | 1.5/1.2 | 1.5/1.2 | 1.5/1.2 | 1.5/1.2 |
| 额定电压(V) | 460/380 | 460/380 | 460/380 | 460/380 | 460/380 | 460/380 | 460/380 | 460/380 | 460/380 | 460/380 | 460/380 | 460/380 | 460/380 | 460/380 | 460/380 | 460/380 |
| 额定频率(Hz) | 60/50 | 60/50 | 60/50 | 60/50 | 60/50 | 60/50 | 60/50 | 60/50 | 60/50 | 60/50 | 60/50 | 60/50 | 60/50 | 60/50 | 60/50 | 60/50 |
| 额定电流(A) | 1.4 | 1.4 | 2.3 | 2.3 | 2.3 | 2.3 | 2.3 | 2.2 | 2.2 | 2.2 | 2.2 | 2.2 | 2.4 | 2.4 | 2.0 | 2.0 |
| 服务系数(%) | 1.3 | 1.3 | 1.0 | 1.0 | 1.0 | 1.0 | 1.0 | 1.0 | 1.0 | 1.0 | 1.0 | 1.0 | 1.0 | 1.0 | 1.0 | 1.0 |
| 传动比(i) | 50 | 40 | 50 | 40 | 30 | 25 | 20 | 50 | 40 | 30 | 25 | 20 | 50 | 40 | 50 | 40 |
| 输出转速(RPM) | 34/28 | 43/35 | 34/28 | 43/35 | 57/47 | 68/56 | 86/70 | 34/28 | 43/35 | 57/47 | 68/56 | 86/70 | 68/56 | 86/70 | 68/56 | 86/70 |



EN
