农用喷灌设备
LS8200系列车轮减速机 8250/8252
LS8200系列减速机专为极端工况与高负荷应用而设计。该系列产品在应对重型负载、连续运行的转角系统以及承受复杂侧向力的横向推车等极端场景中,表现出卓越的可靠性与耐久性。它是适用于高负荷、长年不间断运行环境的理想解决方案。

1、减速机设计有两种传动比:50:1/52:1。

2、使用高品质(美孚)高品质齿轮油。

3、2.5英寸高强度输出轴。

4、顶端带超大全铝合金循环膨胀室。

5、蜗轮副采用高强度材料与高精度齿形设计,在确保传动高效率的同时,显著延长了产品的使用寿命。

6、超大规格的轴承。

7、通用业内主流机型。

产品系列 LS8200
产品名称 车轮减速机
产品型号 8250 8252
传动比(i) 50:1 52:1

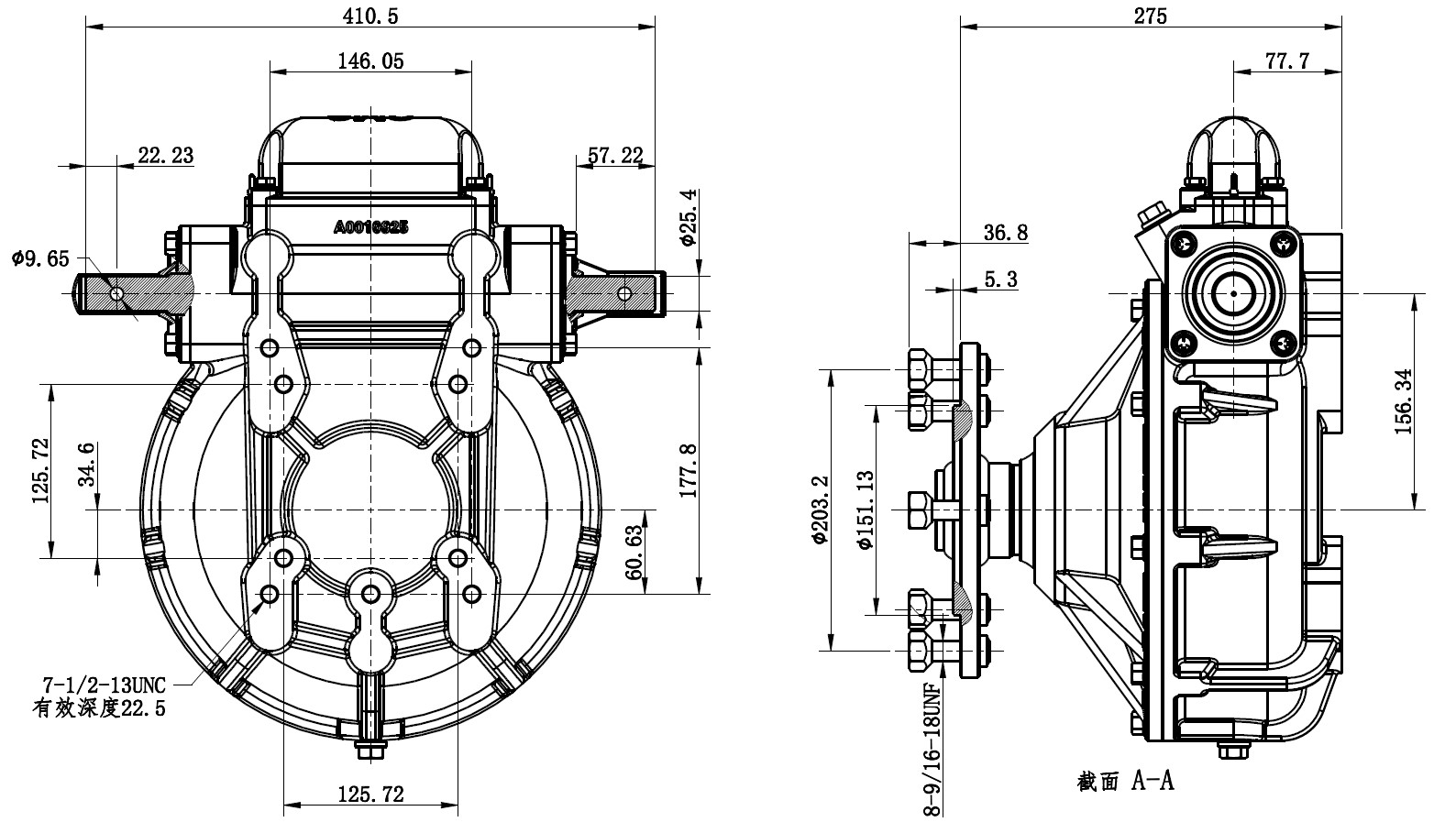
产品型号:8250

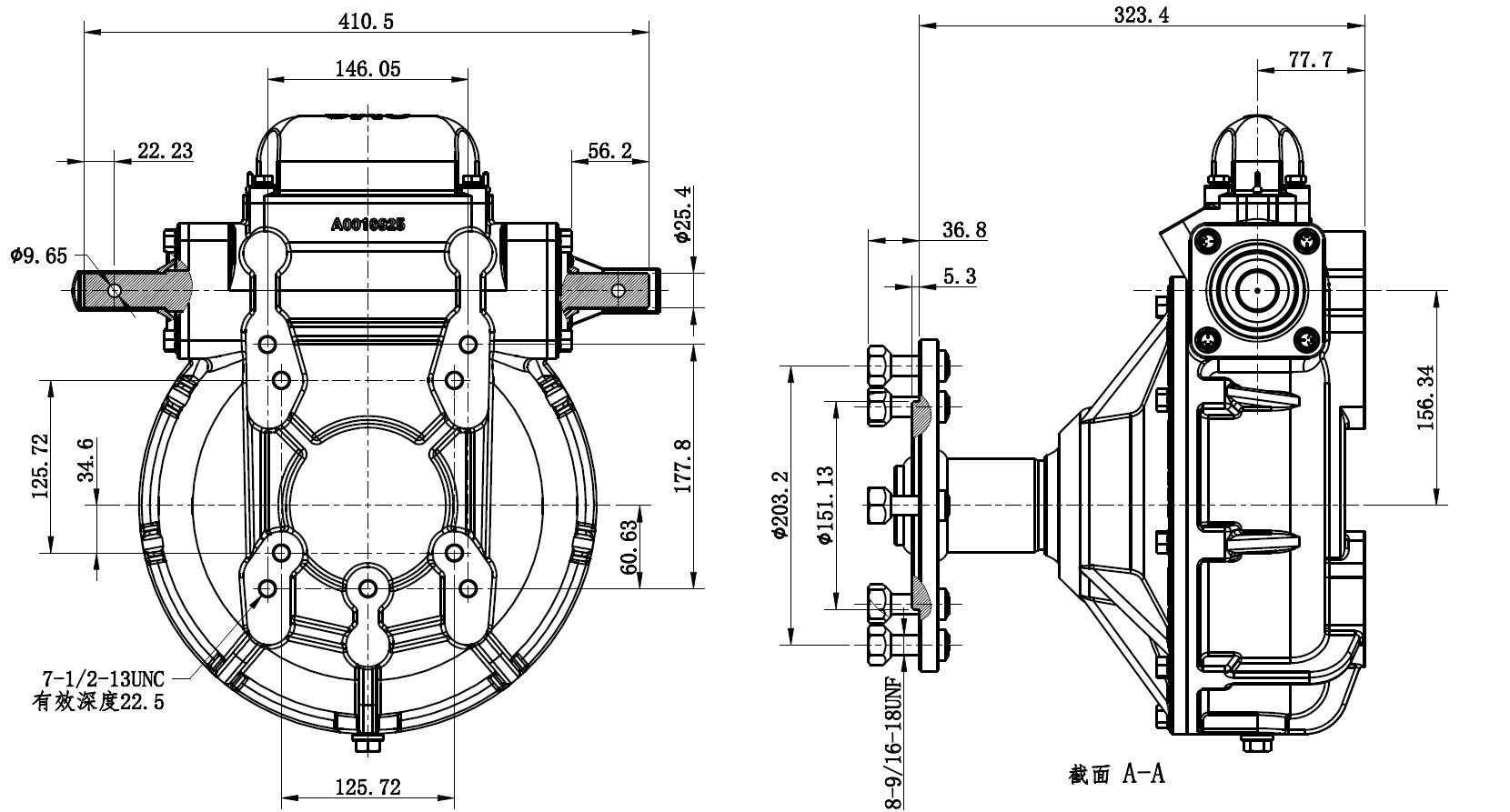
产品型号:8252