农用喷灌设备
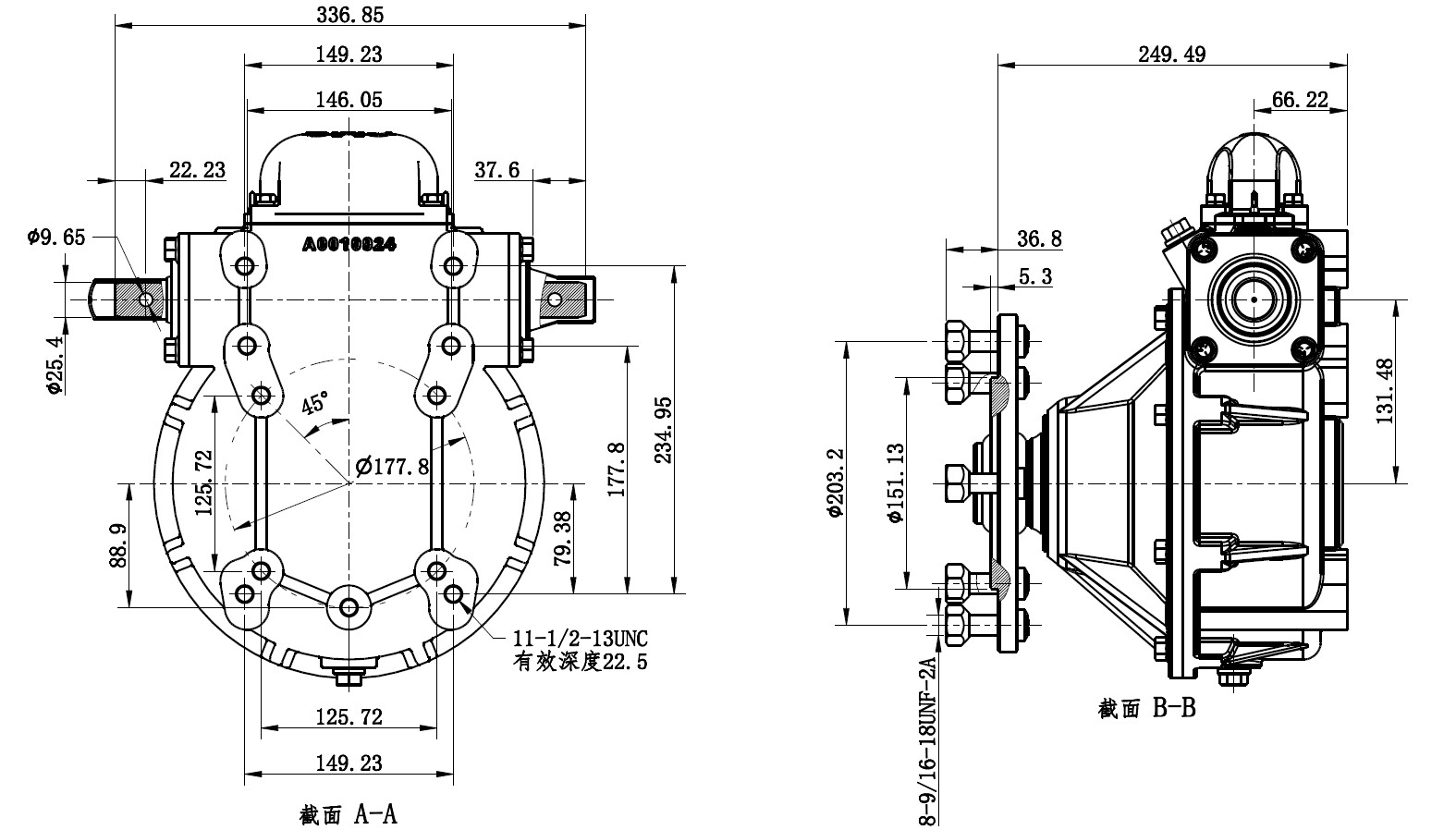
LS7300系列车轮减速机 7350/7352
LS7300系列车轮减速机通常用于最极端的条件和应用,用于处理转角系统、横向推车和重型塔架的极端负载,是存在极端现场条件和机器每年运行小时数高的地区的理想选择。

1、材料增强,提高负载能力,延长寿命。

2、顶端带超大全铝合金全循环膨胀室。

3、双向输入,左右都可安装。

4、输入输出均用盒式油封,外部防尘保护。

5、顶部注油设计。

6、使用高品质齿轮油。

7、安装知名品牌圆锥滚子轴承。

 

 

产品系列 LS7300
产品名称 车轮减速机
产品型号 LS7350 LS7352
传动比(i) 50:1 52:1

产品型号:LS7350

产品型号:LS7352